ANGEBOTE NUR für Gewerbe & Industrie
EN | DE

Persönliche Produktberatung:

04102 7789-600

Balancer SWF-L, langes Seil

1,5 -130 kg • 2,3 - 2,5 m Seilauszug

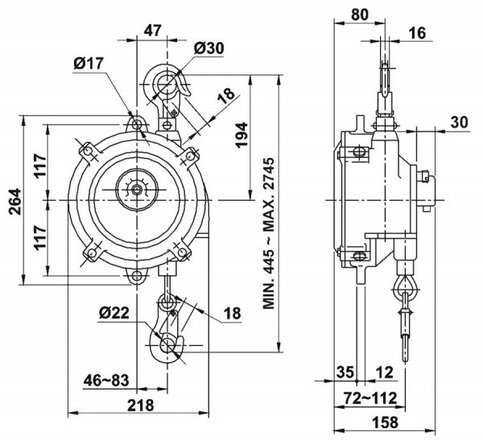
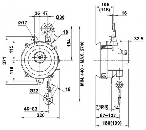
Technische Eigenschaften:

  • Geschlossenes Gehäuse aus hochfestem Alu-Druckguss, pulverbeschichtet
  • Stahlseil
  • Ab SWF-09L: Federpaket in separatem geschlossenen Gehäuse
  • Konische Seiltrommel
  • Ab SWF-09L: Seilführung aus verschleissfestem Kunststoff
  • Drehbar gelagerter, geschmiedeter Aufhängehaken
  • Hergestellt nach DIN 15112

Sicherheitseinrichtung:

  • Zusätzliche Aufhängeöse
  • Federbruchsicherung
  • Manuelle Seilauszugsblockierung für Montage-und Wartungsarbeiten 
  • (ab SWF-09L)

Artikel - Nr. Typ Traglastbereich Seillänge Gewicht
162003 SWF-03L 1,5 - 3,0 2,5 3,9
162005 SWF-05L 2,5 - 5,0 2,5 4
162009 SWF-09L 4,5 - 9,0 2,3 7
162015 SWF-15L 9,0 - 15 2,3 7,5
162022 SWF-22L 15 - 22 2,3 8,5
162030 SWF-30L 22 - 30 2,3 8,5
162040 SWF-40L 30 - 40 2,3 11
162050 SWF-50L 40 - 50 2,3 11
162060 SWF-60L 50 - 60 2,3 11,5
162070 SWF-70L 60 - 70 2,3 12
162085 SWF-85L 70 - 85 2,5 26,5
162100 SWF-100L 85 - 100 2,5 27
162120 SWF-120L 100 - 120 2,5 34
162130 SWF-130L 120 - 130 2,5 35

Produktdatenblatt anzeigen​​​​​​​




Wartungshinweis bei Seilblockierung von SWF-Balancern

Bitte beachten Sie stets vor dem Gebrauch des Balancers die Hinweise in der mitgelieferten  Betriebsanleitung.

Sollten Sie dennoch Schwierigkeiten mit dem Seilauszug haben, überprüfen Sie bitte folgende Punkte:

  1. Ist die manuellle Trommelblockierung in der Position "gesperrt"?
    Bitte in Position "offen" drehen. (Abb. 3 Betriebsanleitung)
     
  2. Blockiert das Seil zwischen Gehäuse und Seilscheibe?
    Versuchen Sie das Seil durch hin-und herziehen zu befreien. Falls das Seil herauskommt, muss es auf Schäden überprüft werden und evtl. ersetzt werden.
    Falls das Seil nicht herauskommt, muss der Balancer auseinander genommen werden, um das Seil wieder in die Seilscheibenrillen zu legen. (Punkt 5 Betriebsanleitung)
     
  3. Wurde die Sicherungsstift (Abb.13 Betriebsanleitung) ausgelöst weil die Seilspannung unter der niedrigsten Tragkraft des Balancers eingestellt ist?
    Es ist sehr wichtig zu wissen bei welchem Gewicht der Balancer zum Einsatz kommt. Ein Balancer sollte niemals außerhalb des angegebenen Traglastbereichs verwendet werden.
     
  4. Ist die Feder bzw. das Federpaket defekt?
    Sollten die vorherigen Schritte nicht zur Lösung der Seilblockierung geführt haben, kann eventuell ein Austausch des Federpakets helfen.

Unverbindliches Angebot einholen

Sie haben Fragen zu unseren Produkten oder möchten ein Angebot für ein konkretes Produkt?
Erhalten Sie schnell und unkompliziert Ihr persönliches Angebot.

Preis jetzt anfragen