Handfahrwerke werden durch Drücken gegen die Last verfahren. Haspel-Laufkatzen werden durch Ziehen an einer endlosen Handkette auf einem Träger nach rechts oder links bewegt. Die zu bewegende Last wird auf die vier Räder durch selbstjustierendes Schwingen um die Bolzenachse verteilt. Die Handketten werden in verzinkter Ausführung geliefert.
Eigenschaften:

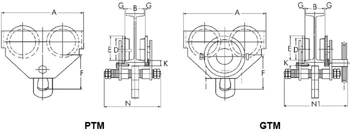
| Handlaufkatze PTM | 0,5 | 1 | 2 | 3 | 5 | 10 |
| Tragfähigkeit (t) | 0,5 | 1 | 2 | 3 | 5 | 10 |
| Flanschbreite B min.-max. (mm) | 50 - 203 | 64 - 203 | 88 - 203 | 100 - 203 | 114 - 203 | 124 - 203 |
| Min. Kurvenradius (m) | 0,8 | 0,9 | 1 | 1,2 | 1,3 | 1,7 |
| A (mm) | 199 | 246 | 276 | 332 | 377 | 389 |
| D (mm) | 55 | 68 | 80 | 100 | 110 | 136 |
| E (mm) | 67 | 81,5 | 94 | 115,5 | 127 | 156 |
| F (mm) | 105 | 125 | 150 | 171 | 196 | 285 |
| G (mm) | 2 | 2 | 2 | 3 | 3 | 3 |
| K (mm) | 30 | 38 | 38 | 40 | 42 | 22 |
| N (mm) | 295 | 311 | 327 | 343 | 355 | 403 |
| O (mm) | 35 | 52 | 57 | 57 | 88 | 115 |
| P (mm) | 22 | 30 | 36 | 36 | 50 | 86 |
| Q (mm) | 16 | 15 | 25 | 17 | 37 | 48 |
| R (mm) | 50 | 70 | 90 | 70 | 120 | - |
| Gewicht (kg) | 7 | 10,5 | 17,5 | 27 | 41 | 48 |

| Haspelkettenlaufkatze GTM | 0,5 | 1 | 2 | 3 | 5 | 10 | 20 |
| Tragfähigkeit (t) | 0,5 | 1 | 2 | 3 | 5 | 10 | 20 |
| Flanschbreite B min.-max. (mm) | 64 - 203 | 64 - 203 | 88 - 203 | 100 - 203 | 114 - 203 | 124 - 203 | 136 - 203 |
| Min. Kurvenradius min.(m) | 0,8 | 0,9 | 1 | 1,2 | 1,3 | 1,7 | 2,8 |
| Länge Bedienkette (m) | 2,5 | 2,5 | 2,5 | 2,5 | 2,5 | 2,5 | 2,5 |
| A (mm) | 199 | 246 | 276 | 332 | 377 | 389 | 574 |
| D (mm) | 55 | 68 | 80 | 100 | 110 | 136 | 175 |
| E (mm) | 67 | 81,5 | 94 | 115,5 | 127 | 156 | 200 |
| F (mm) | 105 | 125 | 150 | 171 | 196 | 285 | 315 |
| G (mm) | 2 | 2 | 2 | 3 | 3 | 3 | 3 |
| K (mm) | 30 | 38 | 38 | 40 | 42 | 22 | 30 |
| N1 (mm) | 326 | 338 | 349 | 362 | 374 | 480 | 537 |
| P (mm) | 22 | 30 | 36 | 36 | 50 | 86 | 106 |
| Q (mm) | 16 | 15 | 25 | 17 | 37 | 48 | 57 |
| R (mm) | 50 | 70 | 90 | 70 | 120 | - | - |
| Gewicht (kg) | 14,5 | 14,5 | 21,5 | 31 | 46 | 95 | 244 |



Sie haben Fragen zu unseren Produkten oder möchten ein Angebot für ein konkretes Produkt?
Erhalten Sie schnell und unkompliziert Ihr persönliches Angebot.